Deze website maakt gebruik van cookies en daarmee vergelijkbare technieken om een optimale gebruikerservaring te bieden. Je kunt je voorkeuren aanpassen.

Deze cookies zorgen ervoor dat de website naar behoren werkt. Deze cookies kunnen niet uitgezet worden.
Deze cookies zorgen ervoor dat we het gebruik van de website kunnen meten en verbeteringen door kunnen voeren.
Deze cookies kunnen geplaatst worden door derde partijen, zoals YouTube of Vimeo.
Deze cookie stellen onze advertentiepartners in staat om doelgerichter informatie te kunnen aanbieden.

Door categorieën uit te zetten, kan het voorkomen dat gerelateerde functionaliteiten binnen de website niet langer correct werken. Het is altijd mogelijk om op een later moment de voorkeuren aan te passen.

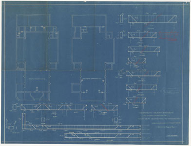
Plattegrond van de fundering en de 1e verdieping van de kerk van de Christelijke …

Afbeelding  552_160221

Collectie
Gemeentelijke Prentverzameling
Inventarisnummer
552_160221
Beschrijving
Plattegrond van de fundering en de 1e verdieping van de kerk van de Christelijke Gereformeerde Gemeente op de hoek Nicolaas Maessingel / Dubbeldamseweg Noord.
Gebouw / instelling
Christelijke Gereformeerde Kerk
Geografie
Dordrecht
Straat
Dubbeldamseweg Noord Nicolaas Maespad
Datum of periode
01-11-1919  ‐  30-11-1919
Auteur
Herwijnen, L. van
Beeldtype
blauwdruk
Annotatie
Verbeterd 2023
Trefwoorden
bouwtekeningen kerken
toon op grote kaart
Goed om te weten: de plek kan afwijken van de werkelijke locatie (hij wordt automatisch gegenereerd).

2 reacties Commentaar van bezoekers

J.de Korte 2 jaar geleden
Inderdaad is deze kerk al meer dan 100 jaar gesitueerd op de hoek Nic. Maessingel/ Dubbeldamseweg. Daarbij zijn het plattegronden en details van de betonconstructie van de fundering en de 1e verdieping.
meld misbruik
Peter Dillingh 10 jaar geleden
Niet Adriaan van Bleijenburgstraat, maar Singel hoek Dubbeldamseweg.
meld misbruik
Laat ons weten wie of wat er op deze foto staat.

Je beschrijving wordt direct op de site getoond.

captcha
Neem het woord (6 letters) uit het plaatje over in het invulveld. Onleesbaar? Klik op het plaatje.